3:提供站腳小樣一個。
二、技術要求
1.座椅根據人體工程學原理及形態美學設計制造,座軟包和背軟包弧度完全符合人體原理曲線,扶手框和底腳采用優質熱軋板沖壓成型,腳管采用優質熱軋板經二氧化碳焊接成型,表面采用防銹靜電噴亞光黑處理。座高和座深合理,坐感舒適,座墊可自動回復,座椅外觀簡潔而美觀。
2.座椅基本中心距為590±1.0mm,座包打開側深708±1.0mm,座包深度450±1.0mm,基本椅高為1000±1.0mm。最小排距:900mm。
3.在保證觀眾舒適度的前提下,背墊高不超過1000mm,增加椅背板的聲反射面積,改善座椅的吸聲;座底板根據需要打吸音孔,使座椅的吸聲量在不同的上座率盡可能保持一致。
4.寫字板采用鋁合金模具壓鑄成型,配鋁合金旋轉功能轉頭,面板采用高密度中纖板,外壓三胺板,四周PVC封邊,尺寸規格:長度為270±1.0mm,寬度為250±1.0mm,厚度為12mm。扶手蓋和寫字板向上傾斜6.5度保證書寫舒適自然狀態,打開回收時需帶消音功能,不可有反彈力與燥音的出現。
5.面料采用高檔針織面料,并經防靜電、防蛀處理,手感舒適,長時間使用無皺褶、斷裂、起球、褪色現象。
6.座椅泡綿均為聚氨酯冷發泡高回彈定型海綿,座海棉尺寸:長度為470±1.0mm,寬度為460±1.0mm,高度為150±1.0mm,海棉密度為50-55KG/M3,背海棉尺寸:上背海棉長度為460±1.0mm,寬度為285±1.0mm,高度為80±1.0mm,下背海棉長度為405±1.0mm,寬度為460±1.0mm,高度為155±1.0mm,海棉密度為40-45KG/M3,強度高,回彈性好,獨特配方,使泡綿具有抗菌性,能有效殺滅大腸桿菌等病菌。
7.所有的鋼材都使用最優質鋼材,焊接件采用機器人焊接,焊接質量高。扶手支架采用冷軋板或型材沖壓成型,表面經表面經脫脂→清洗→去銹→清洗→磷化→清洗→鈍化→粉末靜電噴涂→固化→冷卻然后采用環氧樹脂30微米靜電噴涂,保證鹽浴72小時漆膜耐腐蝕試驗不生銹。
8.座椅扶手蓋:采用優質進口橡木實木,曲線造型,不變形、不開裂。外露木制件表面噴環保聚酯漆,其有害物質含量均達到綠色環保標準。
9.座、背外板:采用優質高密度硬木多層板,經模具壓彎成型,外型成弧型,美觀大方,具有曲線美,不褪色,抗變型。背外板規格:上背外板規格:長度為490±1.0mm,寬度為285±1.0mm,厚度為15mm,下背外板規格:長度為490±1.0mm,寬度為425±1.0mm,厚度為15mm。座外板尺寸規格:長度為440±1.0mm,寬度為415±1.0mm,厚度為12mm。
10.背內板:采用優質夾板經模具壓彎成型。外型成弧型,美觀大方,具有曲線美。尺寸規格:上背內板尺寸規格:長度為420±1.0mm,寬度為265±1.0mm,厚度為6 mm,下背內板尺寸規格:長度為420±1.0mm,寬度為405±1.0mm,厚度為6 mm。座鐵框:采用高度強度優質碳素鋼板沖壓折彎焊接成形,同時增加5條直徑2.5mmS形蛇簧,保證座椅的舒適度。尺寸規格:長度420±1.0mmm,寬度為410±1.0mm,高度為56±1.0mm。
11.座墊自動回復,定位精確,保證確保與扶手平行,保證產品美觀,回復機構采用阻尼慢回復機構,兩級緩沖先快后慢,使座包3秒內可回復到位,具備逃生及消音功能,座包回復碰撞部位增加橡膠墊防撞降噪,使座包打開無噪音,回復緩慢無沖擊性撞擊。
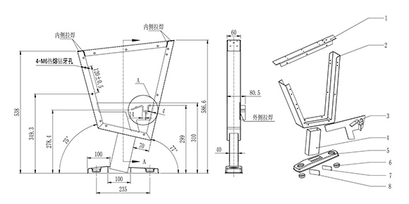
12.扶手站腳:采用優質1.5mm厚碳素冷軋鋼經模具沖壓、焊接、打磨、除油除銹后靜電噴涂而成,堅固耐用,防銹耐腐蝕,腳管采用80×427×586優質熱軋板經二氧化碳焊接成型,表面采用防銹靜電噴亞光黑處理。左右兩側配有側板并面覆麻絨布,美觀且防撞,采用優質面料(絨布+2mm海綿)+中纖板三層結構組成,尺寸規格:長度為388mm,寬度為440mm,厚度為:4mm。
13.座椅固定方式采用隱藏式壓爆螺絲固定地面,外觀特別設計塑料防塵蓋,保證椅腳平滑美觀的同時防止積塵,便于清潔。
14.要求提供單人位整椅樣品一組;提供扶手站腳配件小樣一個,扶手向上傾斜6.5度保證書寫舒適,自然狀態;未按要求提供樣品的或提供樣品不符合要求的樣品分不得分。